Configurez ici votre propre Système de Chaînes Porte-Câbles. Toutes les saisies et modifications seront enregistrées dans la liste des produits se trouvant en fin de page.
Série 1500 ESD - Chaîne, ouvrable dans le rayon externe
La Série E2/000 ESD en est à la quatrième génération dans cette taille. Cette Série bénéficie de toute notre expérience : montage simple et polyvalent combiné à robustesse, grande stabilité et déplacement silencieux, durée de vie élevée des câbles et multiples possibilités de fixation.
Tous les modèles E2/000 répondent à ces critères. Les ingénieurs en génie mécanique du monde entier font confiance à cette Série.
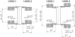
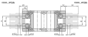
Largeurs intérieures disponiblesBi: 15 á 80 mm
Rayons de courbure disponibles R: 38 á 145 mm
Pas : 33,3 mm / Maillon = 30 Maillons/m